2020年12月8日
纺织品的消耗量由于世界人口的增加和生活水平的改善而增长。该增长对由短纤纱线制成的服装面料产生了重要影响。在总量增长的同时,人们对天然环保的麻纤维日益重视。立达为使用短纤纺纱工艺加工麻纤维的纱厂提供经济的定制化解决方案。
在上一篇推文中,我们介绍了采用短纤纺纱工艺生产100%亚麻纤维纱线的工艺流程。这一期,我们继续介绍亚麻混纺纱线的立达解决方案。
亚麻混纺纤维的纺纱准备
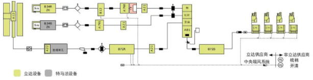
机器流程:亚麻混纺纤维纺纱准备流程
在进行混纺时,亚麻纤维被打包放置并使用自动抓棉机UNIfloc A 12进行开松。第二种成分——棉或人造纤维也可以由自动抓棉机UNIfloc开松。根据批量大小,可以在抓棉机上人工混合排包。通过配备合适的设备,也可以加工包含亚麻在内的三种成分的混合纤维。
自动抓棉机UNIfloc A 12适用于各种麻纤维。
除杂、混纺、成条
将所有要混合的纤维送入精细混棉机UNIblend A 81,以获得均匀的混合。在此之前,棉花必须经过除杂过程。亚麻纤维通过多仓混棉机UNImix和精清棉机UNIflex到达精细混棉机UNIblend。人造纤维则直接喂入精细混棉机UNIblend。
混合纤维可以直接在配备并条模块的梳棉机上进行加工,也可以在另外的并条机上加工。将梳棉机直接连接到新的自调匀整并条机模块RSB-Module 50可以减少并条机的数量,并提高纺纱厂的效率。根据质量要求,在梳棉工序之后设置一或两道并条工序,最后末并采用自调匀整并条机。
自调匀整并条模块RSB-Module 50减少了并条机工序的数量。
自调匀整并条机RSB-D 50和SB-D 50提供了满足不同质量要求的解决方案。
转杯纺纱
按照传统,100%亚麻纤维以及亚麻混纺纤维的后纺工序仍然主要在环锭纺纱机上进行。然而,转杯纺纱机具有决定性的优势。喂入来自并条机的棉条,在纺纱箱中开松成单纤维,以此对纤维原料进一步除杂并清除颗粒。混纺纤维在纺杯槽中重新合并,改善混合质量。在立达(半自动/全自动)转杯纺纱机上可高效生产由亚麻混纺纤维制成的标准纱和花式纱。
转杯纺纱机的理想喂入条子
不同混纺比例的纱支
使用亚麻短纤维可以生产以下混纺比例和纱支范围的纱线:
70%亚麻 / 30%其他纤维*,Nm 5 – Nm 18纱线;
50%亚麻 / 50%其他纤维*,Nm 5 – Nm 24纱线;
30%亚麻 / 70%其他纤维*,Nm 5 – Nm 34纱线;
*棉、粘胶、莫代尔、涤纶或聚丙烯
布面效果
亚麻混纺纱适合生产易于打理的服装。这些混纺纱线为时尚产品的设计提供了广阔的空间,从而极大地扩展了成衣面料范围。
涂层面料:经向 Nm 28/2 纯棉纱线, 环锭纺
纬向 Nm 12 亚麻纱线, 转杯纺
装饰织物:经向 78 dtex 涤纶长丝
纬向 Nm 9.6 亚麻纱线, 转杯纺
(来源:立达纺机)
※ 有关作品版权事宜请联系:010-84463638转8850 电子邮箱:info#texleader.com.cn
bet伟德娱乐手机版官方微信

© 2025 伟德的真网址 版权所有
京ICP备10009259号-3
京公网安备 11010502045125号